Какво е детектор с един фотон?
Единичен фотонен детектор (SPD) е високочувствително устройство, предназначено да открива отделни фотони, най-малките единици светлина. Тези детектори са от решаващо значение в различни области, които изискват изключително ниски нива на откриване на светлина и прецизни измервания
Общо описание
Високотемпературен InGaAs/InP лавинен фотодиод в режим на Гайгер (GM-APD) е специално устройство за късовълново инфрачервено откриване и преброяване на единични фотони. Детекторът е оптимизиран за производителност на откриване на единични фотони в температурния диапазон от 0 градуса и по-горе и може да отговори на техническите изисквания за висока ефективност и нисък тъмен брой откриване на единичен фотон в квантово защитена комуникация, откриване на слаба светлина и други полета при условие за значително намаляване на изискванията за охлаждане и постигане на откриване на единичен фотон на {{3} }.9~1.7μm дължина на вълната, отговаряща на нуждите от миниатюризация на оборудването и различни условия на работа.
Характеристики
√ Разнообразие от пакети и размери, 3pin TO46 неохлаждано устройство и интегрирано TEC охлаждане 6pin TO8, 10pin mini butterfly устройство, FC/PC еднорежимна косичка
√ Висока ефективност на откриване (>20% @ вероятността след импулса е по-малка от 2%)
√ Запознайте се с високоскоростния режим на стробиране (по-голям или равен на 100MHz) и безплатно приложение за режим на работа
√ Скорост на броене при висока температура и ниска тъмнина (оптимум <2kHz@20% ефективност на откриване @0 градуса @100MHz)
Приложения
● Квантово изчисление: SPD се използват за четене на квантови състояния и в протоколи за квантова комуникация.
● Астрономия: Откриване на слаба светлина от далечни звезди и галактики.
● Биофотоника: Откриване на флуоресценция на една молекула в биологични изследвания.
● ЛИДАР: Откриване на светлина и обхват за 3D картографиране с висока разделителна способност.
● Фундаментална физика: Експерименти в квантовата механика и базирани на фотони измервания.
O/E характеристики
|
Параметри/Символs |
Условия на теста |
Mini. |
Макс. |
единица |
|
|
DC характеристики Tc=23±2 градуса |
Пробивно напрежение (Vбр) |
Id=10μA |
50 |
80 |
V |
|
Отзивчивост (Рe) |
λ=1.55μm, Vr=Vбр-2V, Φe=1μW |
8 |
|
A/W |
|
|
Тъмно течение (Id) |
Vr=Vбр-2V, Φe=0 |
|
1 |
nA |
|
|
Капацитет (Cтот) |
Vr=Vбр-2V, f=1MHz |
|
0.25 |
pF |
|
|
Температурен коефициент на пробивно напрежение, η |
Tоп= ﹣40~﹢30 градуса, I=10μA, Φe=0 |
0.15 |
V/ степен |
||
|
Характеристики на Гайгер Tоп=0 степен |
ПДЕ |
0.1ph/импулс, λ=1.55μm |
20 |
% |
|
|
DCR |
fg=100MHz, PDE=20% |
|
10 |
kHz |
|
|
ПРИЛОЖЕНИЕ |
fg=100MHz, PDE=20% |
|
2.5 |
% |
|
* Поддържа персонализиране за специални приложения: DCR<3kHz @0степен илиAPP<{{0}}.5% @0степен
Типични криви

Абсолютни максимални оценки
|
Артикул |
Параметри/Символи |
Рейтинг |
|
Абсолютни максимални оценки |
Температура на съхранение, TSTG |
﹣50 градуса ~﹢85 градуса |
|
Работна температура, Tc |
﹣50 градуса ~﹢80 градуса |
|
|
Температура на заваряване, Tsld(време) |
260 градуса (10s) |
|
|
Dc обратно напрежение, Vr |
Vбр |
|
|
Overbias импулсна амплитуда, Vg |
10V |
|
|
Входяща оптична мощност, Φe(Непрекъснато) |
1mW |
|
|
Преден ток, If(Непрекъснато) |
1mA |
|
|
ESD |
По-голямо или равно на 300V |
Механични размери и оформление на щифта
|
|
Име |
PN |
Снимка |
|
1 |
InGaAs SPAD 3pin TO46 Детектор за косички |
P46G2P002 |
|
|
2 |
Вграден TEC InGaAs SPAD 6pin TO8 детектор с пигтейл |
P08G2F001 |
|
|
3 |
P08G2F002 |
|
|
|
4 |
Вграден TEC InGaAs SPAD 10-пинов детектор за пеперуди |
D10G2P001 |
|
1) InGaAs SPAD 3-пинов TO46 детектор с пигтейл

изглед отдолу
мм
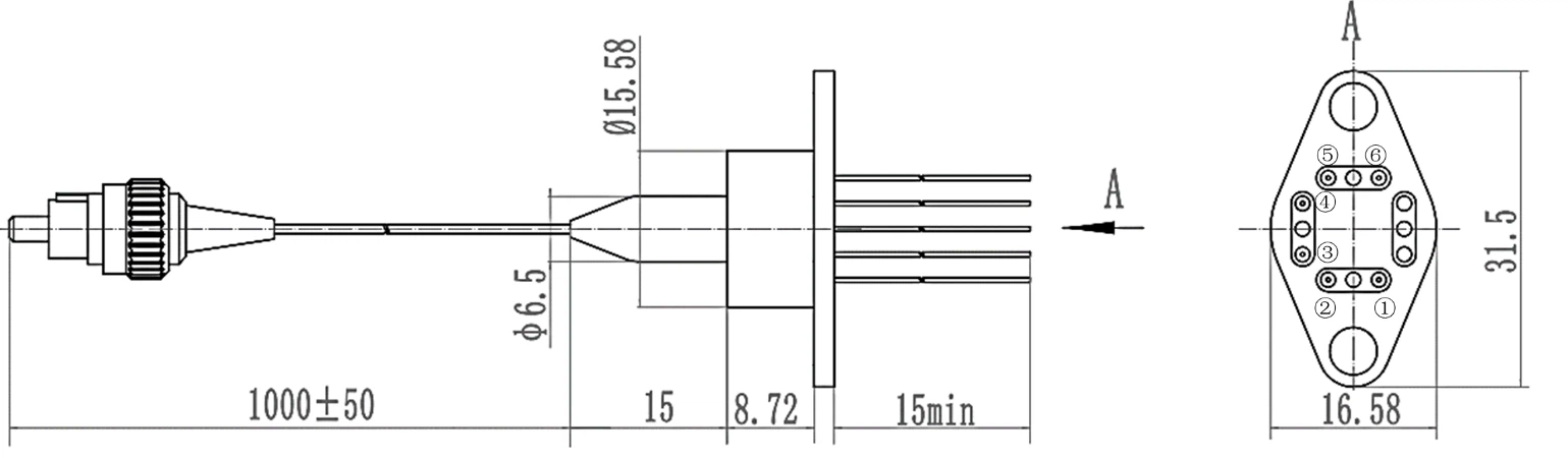
2) Вграден TEC InGaAs SPAD 6pin TO8 детектор за пигтейл

Единица: mm

TEC и NTC спецификации
|
ТЕСИзпълнение( 323k / N2 ) |
||
|
Параметри |
единица |
МАКС |
|
ΔTмакс |
K |
113 |
|
Qмакс |
W |
0.4 |
|
ΔIмакс |
A |
0.7 |
|
Uмакс |
V |
4.3 |
|
ACR |
Ом |
5.51 |
|
Термистор 5 kΩ при 25˚C Константа на термистор A=1.2548E-03, B=2.3738E-04, C = 1.3222E-07 |
||
3) Вграден TEC InGaAs SPAD 6pin TO8 детектор за пигтейл

Единица: mm

TEC и NTC спецификации
|
ТЕСИзпълнение ( 323k / N2 ) |
||
|
Параметри |
единица |
МАКС |
|
ΔTмакс |
K |
119 |
|
Qмакс |
W |
0.8 |
|
ΔIмакс |
A |
2.5 |
|
Uмакс |
V |
2.2 |
|
ACR |
Ом |
0.78 |
|
Термистор 5 kΩ при 25˚C Константа на термистор A=1.2548E-03, B=2.3738E-04, C = 1.3222E-07 |
||
4) Вграден TEC InGaAs SPAD 10-пинов детектор за пеперуди

мм

TEC и NTC спецификации
|
ТЕСИзпълнение ( 323k / N2 ) |
||
|
Параметри |
единица |
МАКС |
|
ΔTмакс |
K |
119 |
|
Qмакс |
W |
0.8 |
|
ΔIмакс |
A |
2.5 |
|
Uмакс |
V |
2.2 |
|
ACR |
Ом |
0.78 |
|
Термистор 5 kΩ при 25˚C Константа на термистор A=1.2548E-03, B=2.3738E-04, C = 1.3222E-07 |
||
Популярни тагове: единичен фотон детектор, Китай един фотон детектор, Източник на светлина ASE, DTS оптична оптика, Mach Zehnder модулатор, Компонент за оптичен сензор за анализ, Оптичен сензор за датчик, Космическа лазерна комуникация























